首页
专利数据库
产业人才
行业动态
产业政策法规
维权援助
个人中心
登录/注册
详情
文本
图像
标题:
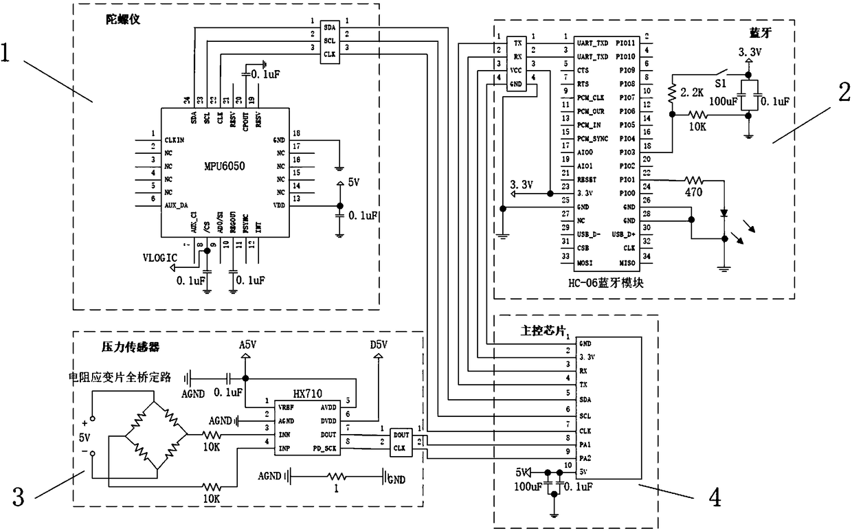
一种基于坐姿和心率监测反映学习者状态的智能项链
授权日:
1900-01-01
公开(公告)号:
CN107714012A
申请日:
2017-10-30
公开(公告)日:
2018-02-23
当前申请(专利权)人:
浙江师范大学
发明人:
黄立新 | 肖健文
简单同族:
CN107714012A
简单同族成员数量:
1
简单同族被引用专利总数:
0
诉讼案件数:
0
法律状态/事件:
实质审查