首页
专利数据库
产业人才
行业动态
产业政策法规
维权援助
个人中心
登录/注册
详情
文本
图像
标题:
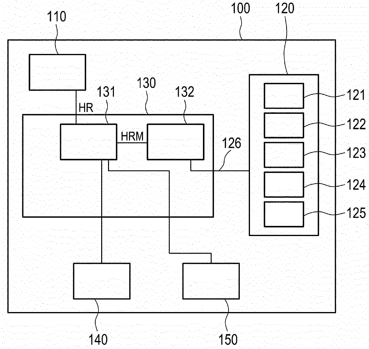
心率监测器系统
授权日:
2019-10-01
公开(公告)号:
CN106132287B
申请日:
2015-02-27
公开(公告)日:
2019-10-01
当前申请(专利权)人:
皇家飞利浦有限公司
发明人:
C·N·普雷苏勒 | C·M·罗福斯 | R·V·博比蒂
简单同族:
CN106132287A | CN106132287B | EP3119269A1 | JP2017507750A | JP6599883B2 | RU2016140696A | RU2016140696A3 | RU2675399C2 | US10405760 | US20170071489A1 | WO2015139930A1
简单同族成员数量:
11
简单同族被引用专利总数:
16
诉讼案件数:
0
法律状态/事件:
授权