首页
专利数据库
产业人才
行业动态
产业政策法规
维权援助
个人中心
登录/注册
详情
文本
图像
标题:
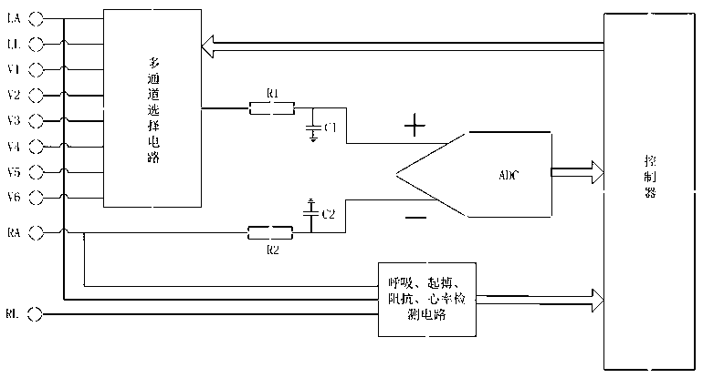
一种低功耗多电极生理参数采集电路
授权日:
1900-01-01
公开(公告)号:
CN110742598A
申请日:
2019-08-18
公开(公告)日:
2020-02-04
当前申请(专利权)人:
浙江好络维医疗技术有限公司
发明人:
顾林跃 | 卢清君 | 李双龙 | 孙斌 | 金衍昆 | 杨辰熠
简单同族:
CN110742598A
简单同族成员数量:
1
简单同族被引用专利总数:
0
诉讼案件数:
0
法律状态/事件:
实质审查