首页
专利数据库
产业人才
行业动态
产业政策法规
维权援助
个人中心
登录/注册
详情
文本
图像
标题:
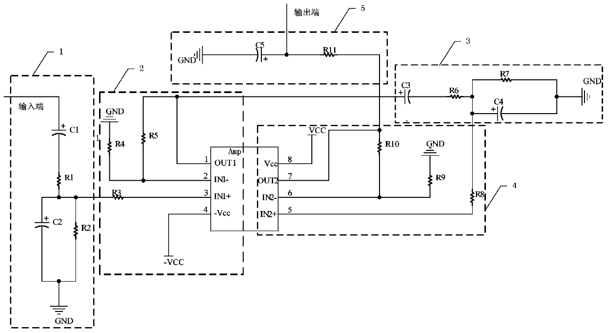
一种高灵敏度的脉搏血压测量电路
授权日:
1900-01-01
公开(公告)号:
CN110464322A
申请日:
2019-09-25
公开(公告)日:
2019-11-19
当前申请(专利权)人:
宁波智能装备研究院有限公司
发明人:
于兴虎 | 洪源铎 | 潘慧慧 | 林伟阳
简单同族:
CN110464322A
简单同族成员数量:
1
简单同族被引用专利总数:
0
诉讼案件数:
0
法律状态/事件:
实质审查