首页
专利数据库
产业人才
行业动态
产业政策法规
维权援助
个人中心
登录/注册
详情
文本
图像
标题:
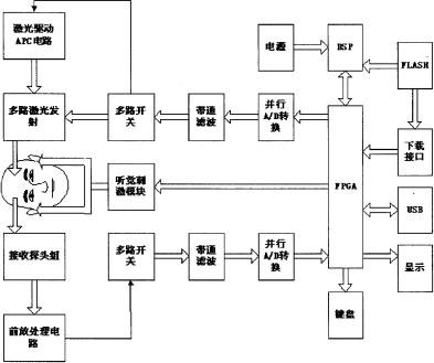
听觉刺激近红外光谱法麻醉深度监测装置
授权日:
1900-01-01
公开(公告)号:
CN1951327A
申请日:
2005-10-20
公开(公告)日:
2007-04-25
当前申请(专利权)人:
暨南大学
发明人:
李胜利 | 谢军 | 王小平
简单同族:
CN100453041C | CN1951327A
简单同族成员数量:
2
简单同族被引用专利总数:
6
诉讼案件数:
0
法律状态/事件:
未缴年费