首页
专利数据库
产业人才
行业动态
产业政策法规
维权援助
个人中心
登录/注册
详情
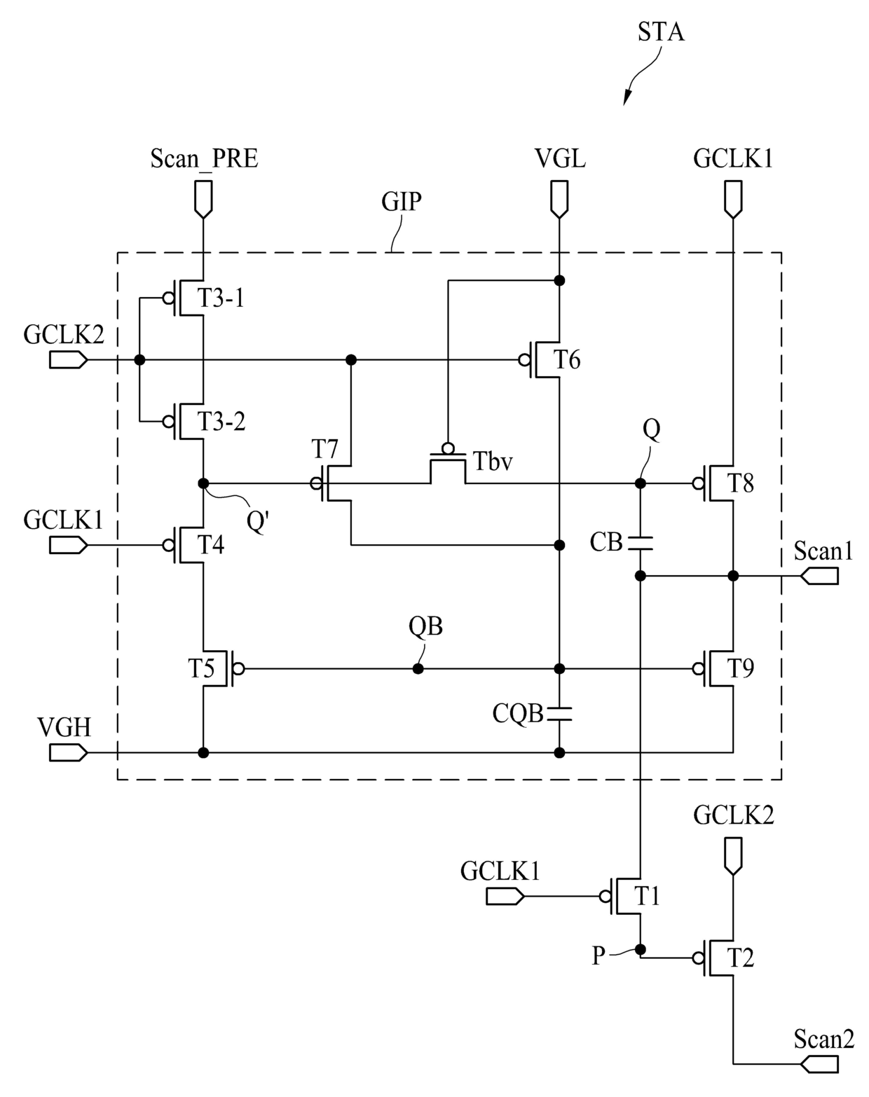
文本
图像
标题:
게이트 구동부와 이를 포함한 유기발광 표시장치
授权日:
1900-01-01
公开(公告)号:
KR1020190018932A
申请日:
2017-08-16
公开(公告)日:
2019-02-26
当前申请(专利权)人:
엘지디스플레이 주식회사
发明人:
허승호
简单同族:
KR1020190018932A
简单同族成员数量:
1
简单同族被引用专利总数:
0
诉讼案件数:
0
法律状态/事件:
实质审查