首页
专利数据库
产业人才
行业动态
产业政策法规
维权援助
个人中心
登录/注册
详情
文本
图像
标题:
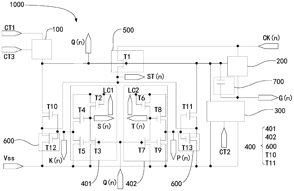
一种GOA电路及液晶显示面板
授权日:
1900-01-01
公开(公告)号:
CN110890077A
申请日:
2019-11-26
公开(公告)日:
2020-03-17
当前申请(专利权)人:
深圳市华星光电半导体显示技术有限公司
发明人:
奚苏萍
简单同族:
CN110890077A
简单同族成员数量:
1
简单同族被引用专利总数:
0
诉讼案件数:
0
法律状态/事件:
实质审查