首页
专利数据库
产业人才
行业动态
产业政策法规
维权援助
个人中心
登录/注册
详情
文本
图像
标题:
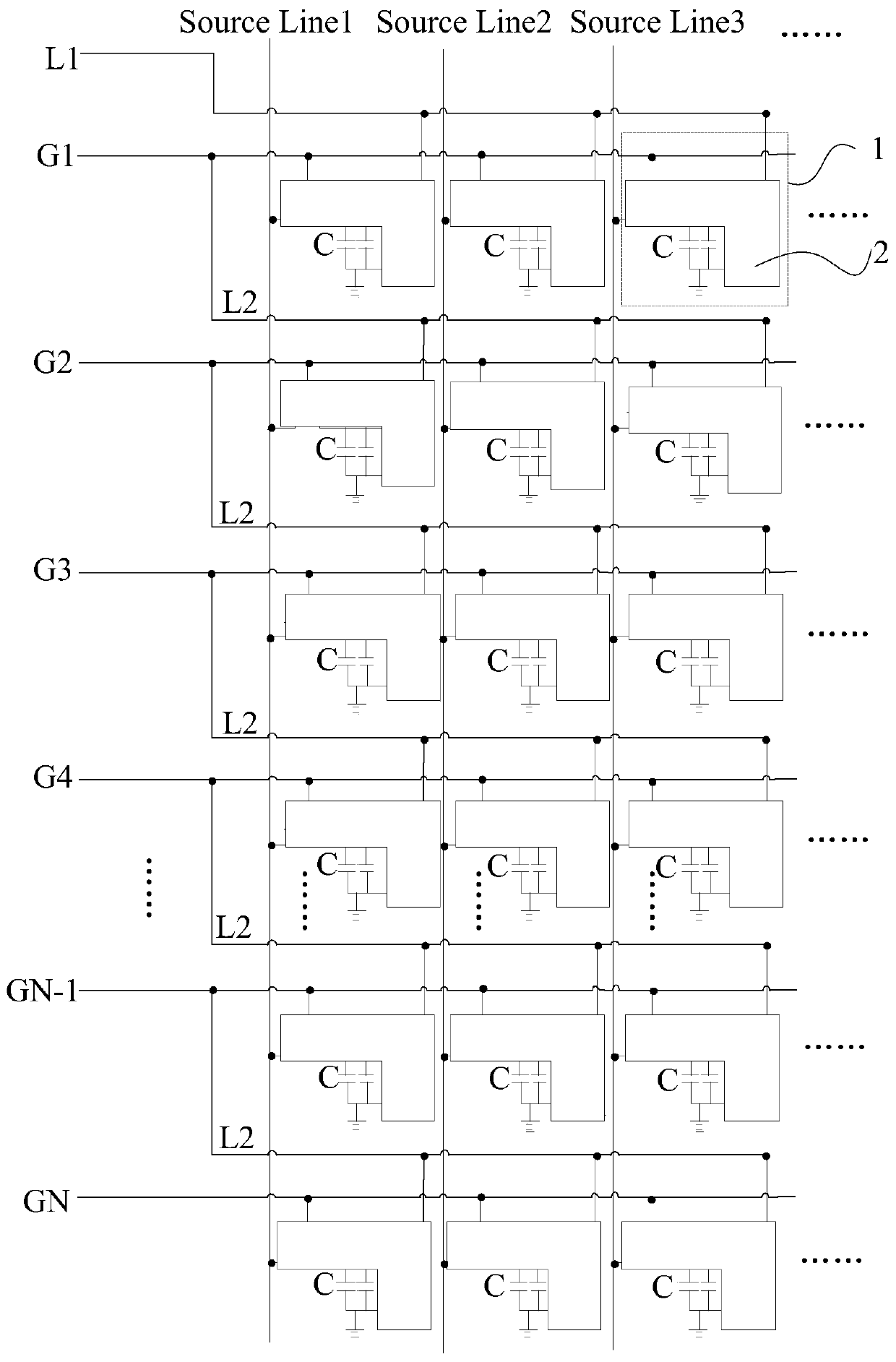
一种阵列基板、液晶显示装置和驱动方法
授权日:
1900-01-01
公开(公告)号:
CN110244481A
申请日:
2019-08-01
公开(公告)日:
2019-09-17
当前申请(专利权)人:
京东方科技集团股份有限公司 | 鄂尔多斯市源盛光电有限责任公司
发明人:
赵晶 | 孙继刚 | 赵爽 | 苏旭 | 王磊
简单同族:
CN110244481A
简单同族成员数量:
1
简单同族被引用专利总数:
0
诉讼案件数:
0
法律状态/事件:
实质审查