首页
专利数据库
产业人才
行业动态
产业政策法规
维权援助
个人中心
登录/注册
详情
文本
图像
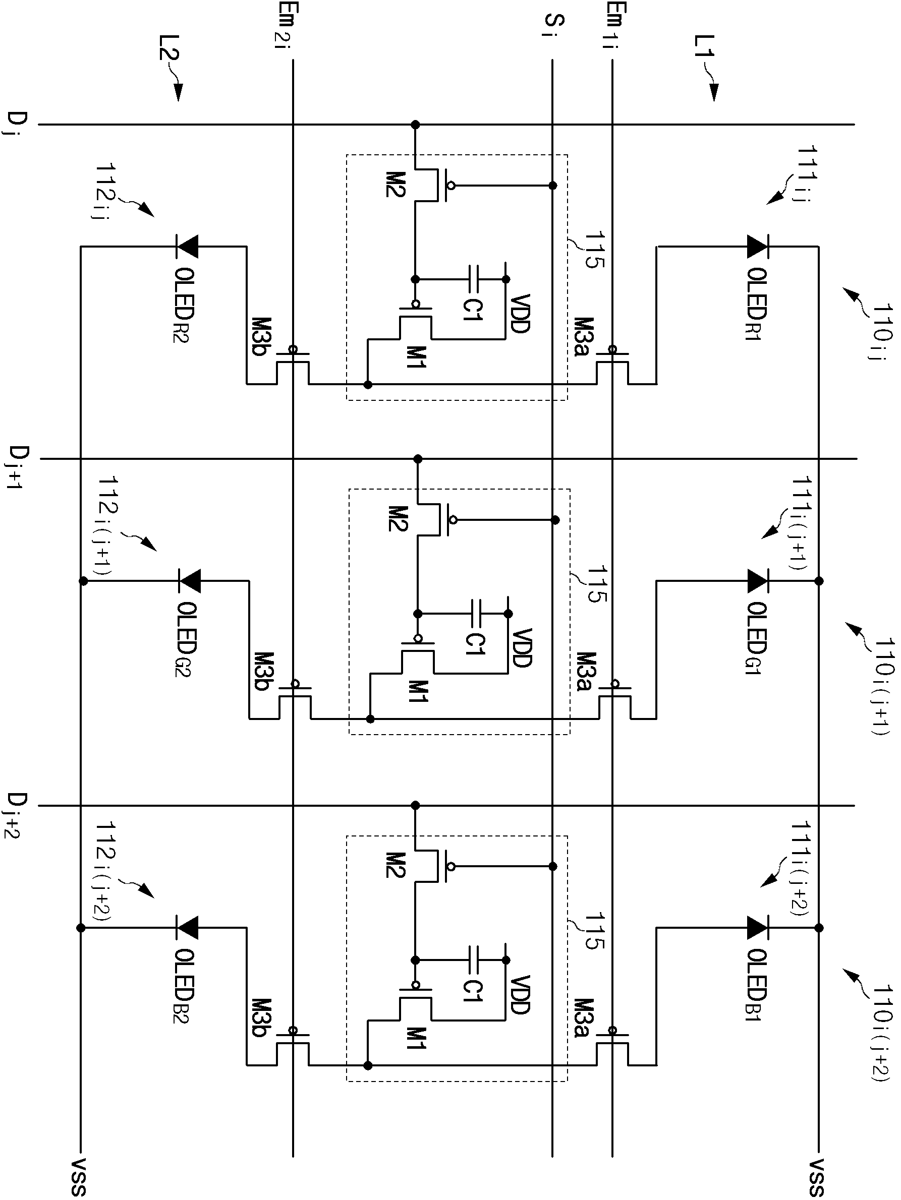
标题:
표시 장치 및 그 구동 방법
授权日:
1900-01-01
公开(公告)号:
KR1020060080382A
申请日:
2005-01-05
公开(公告)日:
2006-07-10
当前申请(专利权)人:
삼성에스디아이 주식회사
发明人:
박성천 | 곽원규 | 김양완
简单同族:
CN100428317C | CN1801298A | EP1679687A2 | EP1679687A3 | EP1679687B1 | JP2006189756A | KR100599657B1 | KR1020060080382A | US20060145964A1 | US20100283776A1 | US20130069854A1 | US7847765 | US8330685 | US9501970
简单同族成员数量:
14
简单同族被引用专利总数:
189
诉讼案件数:
0
法律状态/事件:
授权 | 权利转移