首页
专利数据库
产业人才
行业动态
产业政策法规
维权援助
个人中心
登录/注册
详情
文本
图像
标题:
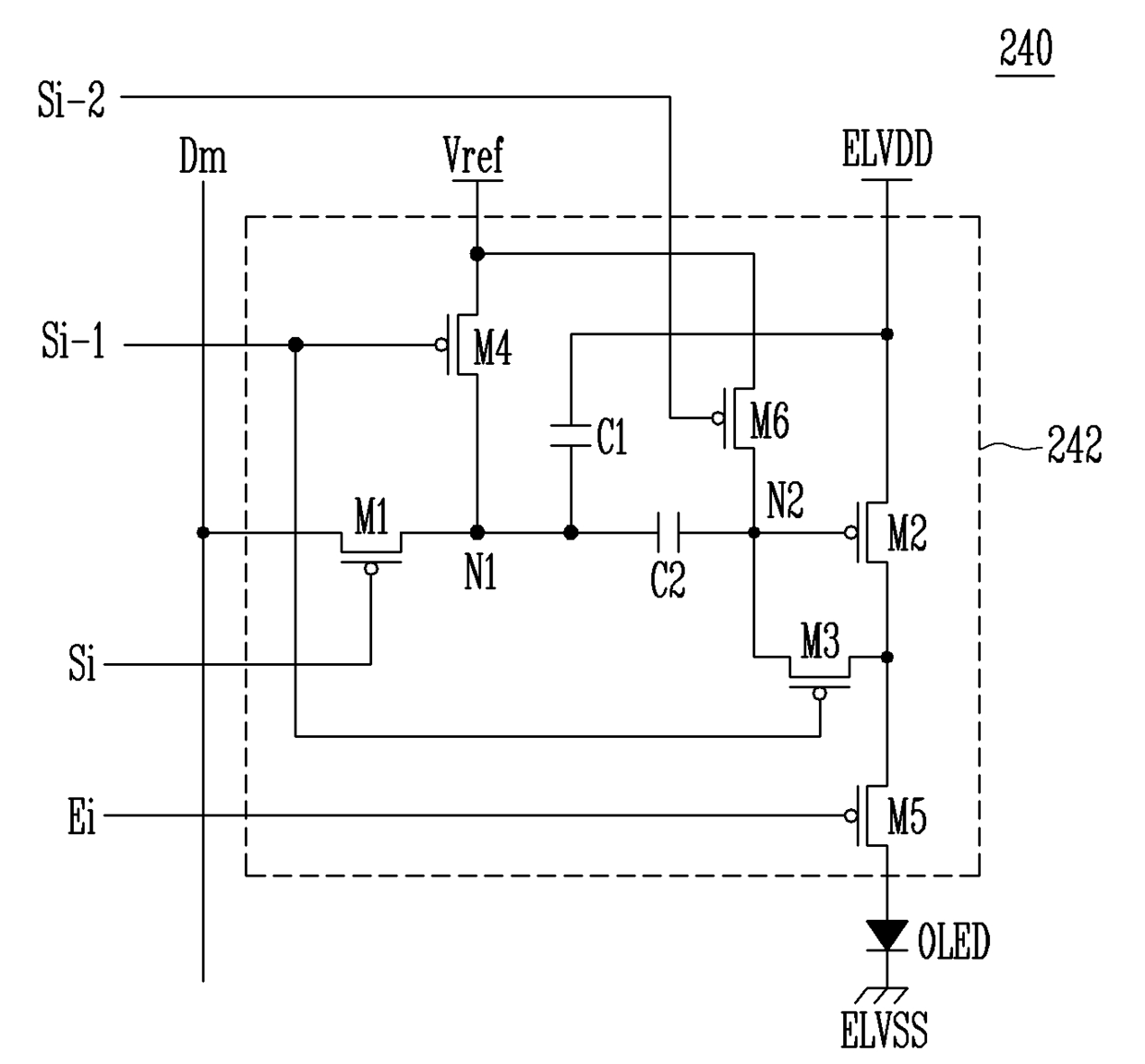
화소와 이를 이용한 유기전계발광 표시장치 및 그의구동방법
授权日:
2007-07-06
公开(公告)号:
KR100739334B1
申请日:
2006-08-08
公开(公告)日:
2007-07-06
当前申请(专利权)人:
삼성에스디아이 주식회사
发明人:
김양완
简单同族:
CN101123070A | CN101123070B | DE602007009904D1 | EP1887552A1 | EP1887552B1 | JP2008040444A | JP4795184B2 | KR100739334B1 | US20080036710A1 | US8054250
简单同族成员数量:
10
简单同族被引用专利总数:
117
诉讼案件数:
0
法律状态/事件:
授权 | 权利转移