首页
专利数据库
产业人才
行业动态
产业政策法规
维权援助
个人中心
登录/注册
详情
文本
图像
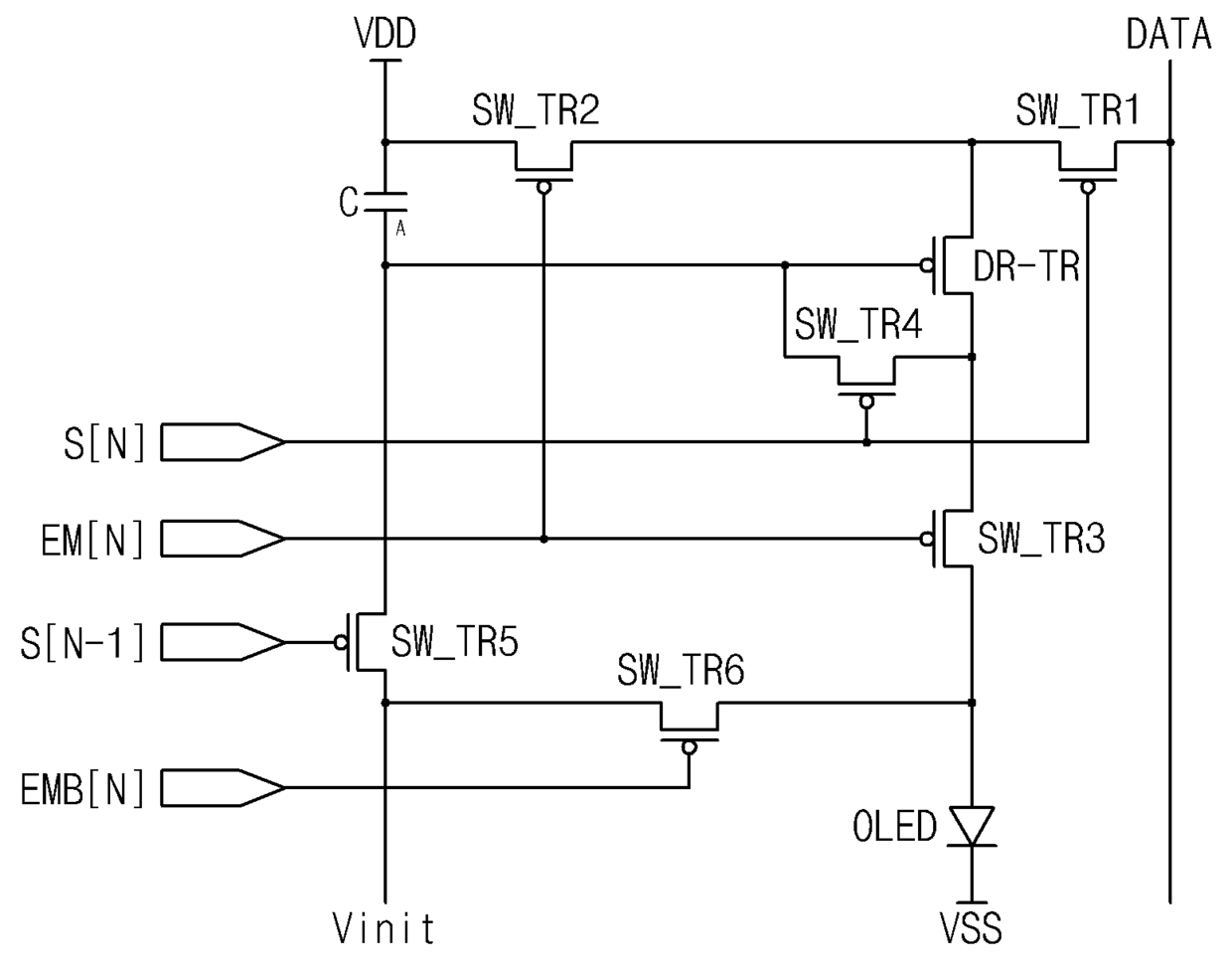
标题:
유기 전계 발광 표시 장치 및 그 구동방법
授权日:
2008-05-23
公开(公告)号:
KR100833753B1
申请日:
2006-12-21
公开(公告)日:
2008-05-30
当前申请(专利权)人:
삼성에스디아이 주식회사
发明人:
CHUNG, BO YONG
简单同族:
CN101231821A | CN101231821B | CN102097054A | CN102097054B | DE602007013169D1 | EP1936596A1 | EP1936596B1 | JP2008158477A | JP5196812B2 | KR100833753B1 | US20080150846A1 | US8237637
简单同族成员数量:
12
简单同族被引用专利总数:
220
诉讼案件数:
0
法律状态/事件:
未缴年费 | 权利转移