首页
专利数据库
产业人才
行业动态
产业政策法规
维权援助
个人中心
登录/注册
详情
文本
图像
标题:
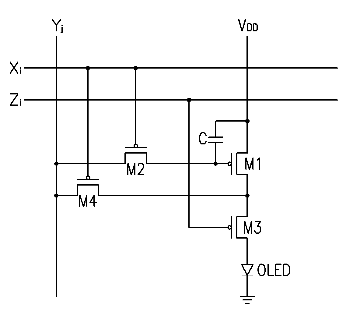
표시 패널, 이를 이용한 발광 표시 장치 및 그 구동 방법
授权日:
2005-09-08
公开(公告)号:
KR100515351B1
申请日:
2003-07-08
公开(公告)日:
2005-09-15
当前申请(专利权)人:
삼성에스디아이 주식회사
发明人:
신동용 | 마쯔에다요지로
简单同族:
CN100573638C | CN1577451A | JP2005031635A | JP2008268981A | KR100515351B1 | KR1020050007486A | US20050007319A1 | US7471267
简单同族成员数量:
8
简单同族被引用专利总数:
68
诉讼案件数:
0
法律状态/事件:
未缴年费 | 权利转移