首页
专利数据库
产业人才
行业动态
产业政策法规
维权援助
个人中心
登录/注册
详情
文本
图像
标题:
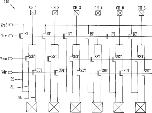
Organic light-emitting diode display device
授权日:
2015-12-22
公开(公告)号:
US9218768
申请日:
2012-12-27
公开(公告)日:
2015-12-22
当前申请(专利权)人:
LG DISPLAY CO., LTD.
发明人:
LEE, HOYOUNG
简单同族:
CN103714777A | CN103714777B | KR101473844B1 | KR1020140042456A | TW201413682A | TWI489433B | US20140092076A1 | US9218768
简单同族成员数量:
8
简单同族被引用专利总数:
58
诉讼案件数:
0
法律状态/事件:
授权 | 权利转移