首页
专利数据库
产业人才
行业动态
产业政策法规
维权援助
个人中心
登录/注册
详情
文本
图像
标题:
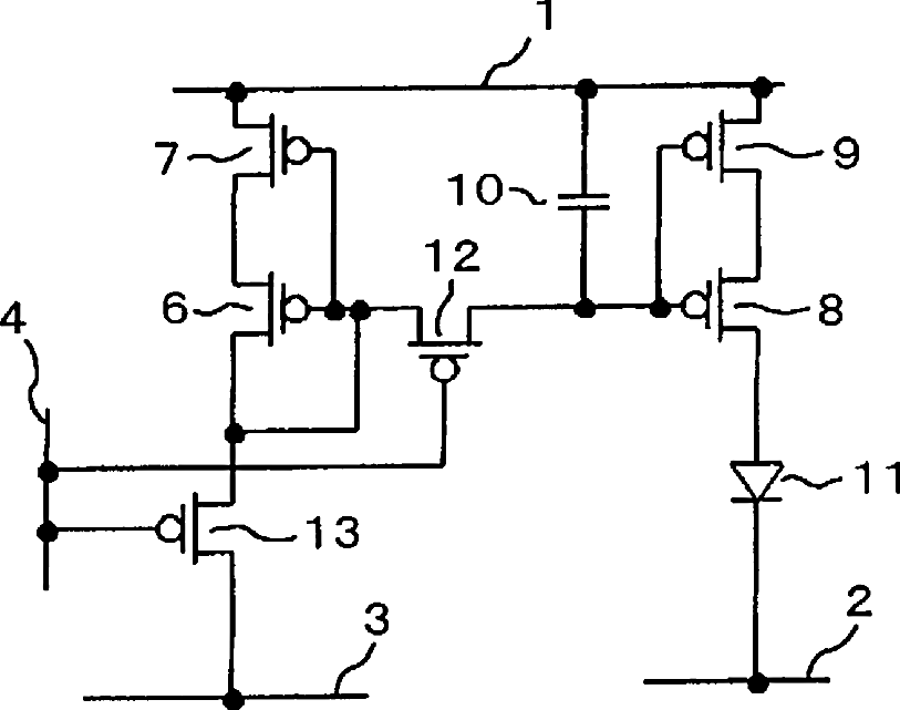
Current driver circuit and image display device
授权日:
1900-01-01
公开(公告)号:
US20020196212A1
申请日:
2002-06-21
公开(公告)日:
2002-12-26
当前申请(专利权)人:
GOLD CHARM LIMITED
发明人:
NISHITOBA, SHIGEO | IGUCHI, KOICHI
简单同族:
JP2003005710A | KR100443238B1 | KR1020030004048A | US20020196212A1 | US6774877
简单同族成员数量:
5
简单同族被引用专利总数:
245
诉讼案件数:
0
法律状态/事件:
授权 | 权利转移