首页
专利数据库
产业人才
行业动态
产业政策法规
维权援助
个人中心
登录/注册
详情
文本
图像
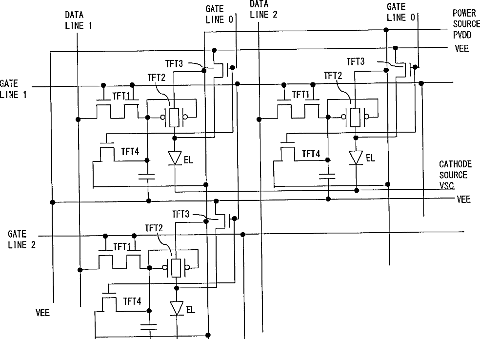
标题:
Organic EL pixel circuit
授权日:
1900-01-01
公开(公告)号:
US20020158587A1
申请日:
2002-02-12
公开(公告)日:
2002-10-31
当前申请(专利权)人:
SANYO ELECTRIC CO., LTD.
发明人:
KOMIYA, NAOAKI
简单同族:
CN100423058C | CN1375810A | EP1233398A2 | EP1233398A3 | JP2002244617A | KR1020020067678A | TW552574B | US20020158587A1 | US6924602
简单同族成员数量:
9
简单同族被引用专利总数:
219
诉讼案件数:
0
法律状态/事件:
授权 | 权利转移