首页
专利数据库
产业人才
行业动态
产业政策法规
维权援助
个人中心
登录/注册
详情
文本
图像
标题:
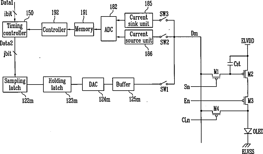
Organic light emitting display and driving method thereof
授权日:
1900-01-01
公开(公告)号:
US20080231562A1
申请日:
2008-03-21
公开(公告)日:
2008-09-25
当前申请(专利权)人:
SAMSUNG DISPLAY CO., LTD.
发明人:
KWON, OH-KYONG
简单同族:
KR100858615B1 | US20080231562A1 | US8373687
简单同族成员数量:
3
简单同族被引用专利总数:
203
诉讼案件数:
0
法律状态/事件:
授权 | 权利转移