首页
专利数据库
产业人才
行业动态
产业政策法规
维权援助
个人中心
登录/注册
详情
文本
图像
标题:
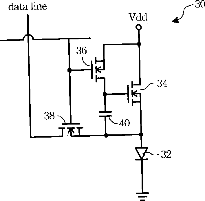
Driving circuit for unit pixel of organic light emitting displays
授权日:
1900-01-01
公开(公告)号:
US20040007989A1
申请日:
2003-03-26
公开(公告)日:
2004-01-15
当前申请(专利权)人:
AU OPTRONICS CORP.
发明人:
LI, CHUN-HUAI
简单同族:
TW594628B | US20040007989A1 | US6756741
简单同族成员数量:
3
简单同族被引用专利总数:
190
诉讼案件数:
0
法律状态/事件:
授权 | 权利转移