首页
专利数据库
产业人才
行业动态
产业政策法规
维权援助
个人中心
登录/注册
详情
文本
图像
标题:
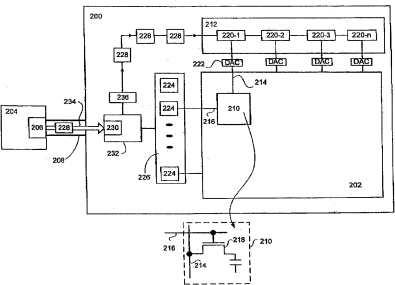
使用包传输驱动LCD屏板的驱动电路
授权日:
2008-11-05
公开(公告)号:
CN100430988C
申请日:
2004-09-17
公开(公告)日:
2008-11-05
当前申请(专利权)人:
创世纪微芯片公司
发明人:
O·科巴亚施
简单同族:
CN100430988C | CN1604173A | EP1517292A2 | EP1517292A3 | JP2005165273A | JP2005165273A5 | KR1020050028816A | SG110148A1 | TW200515275A | TWI350989B | US20050062711A1 | US20080246711A1 | US7405719
简单同族成员数量:
13
简单同族被引用专利总数:
95
诉讼案件数:
0
法律状态/事件:
授权