首页
专利数据库
产业人才
行业动态
产业政策法规
维权援助
个人中心
登录/注册
详情
文本
图像
标题:
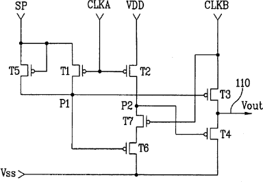
移位寄存器和使用其的液晶显示器件
授权日:
1900-01-01
公开(公告)号:
CN1702497A
申请日:
2004-12-30
公开(公告)日:
2005-11-30
当前申请(专利权)人:
乐金显示有限公司
发明人:
金性均
简单同族:
CN100354711C | CN1702497A | JP2005338758A | JP4154611B2 | KR101030528B1 | KR1020050112611A | US20050264505A1 | US9135878
简单同族成员数量:
8
简单同族被引用专利总数:
71
诉讼案件数:
0
法律状态/事件:
授权