首页
专利数据库
产业人才
行业动态
产业政策法规
维权援助
个人中心
登录/注册
详情
文本
图像
标题:
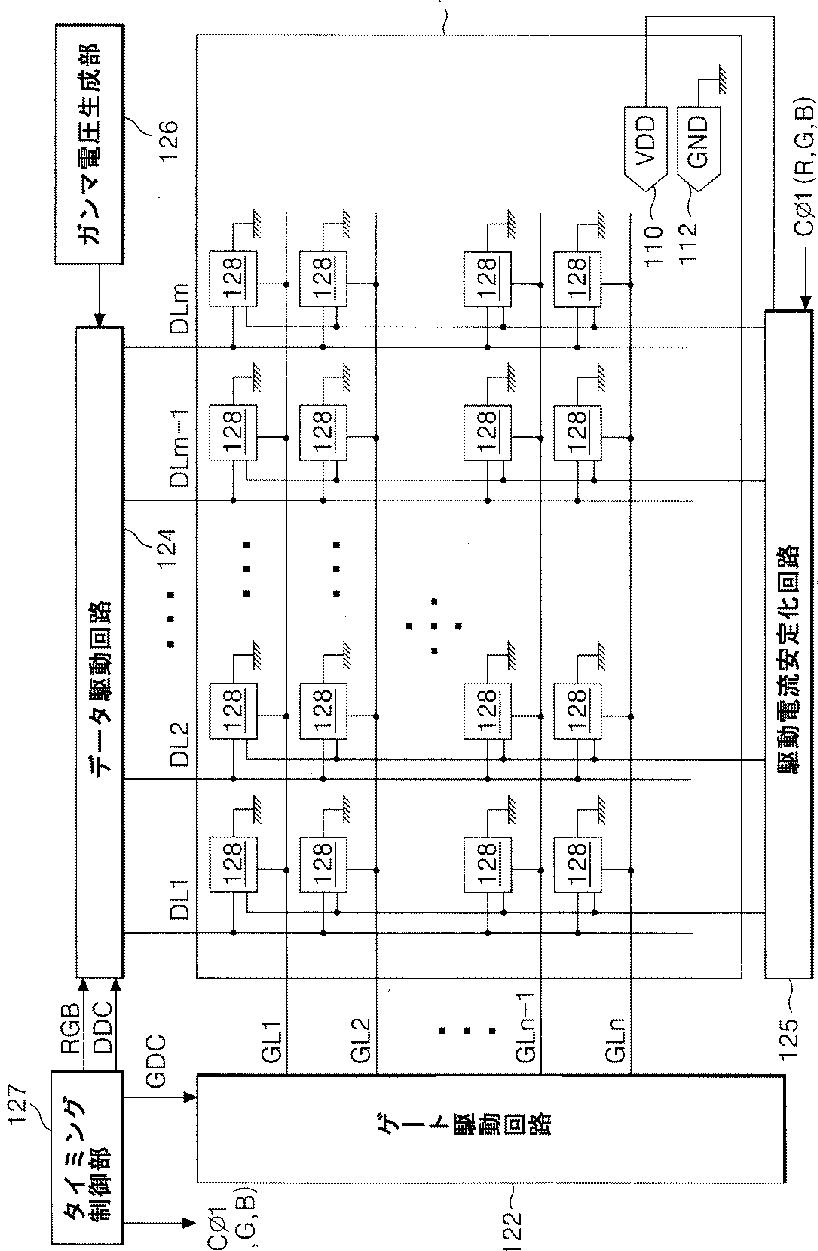
有機発光ダイオード表示装置及びその駆動方法
授权日:
2012-04-13
公开(公告)号:
JP4970168B2
申请日:
2007-06-29
公开(公告)日:
2012-07-04
当前申请(专利权)人:
エルジー ディスプレイ カンパニー リミテッド
发明人:
金 仁 煥 | 卞 勝 賛 | 金 鎮 亨
简单同族:
CN101097685A | CN101097685B | JP2008015524A | JP4970168B2 | KR101224458B1 | KR1020080002031A | TW200816142A | TWI368205B | US20080012804A1 | US7978161
简单同族成员数量:
10
简单同族被引用专利总数:
63
诉讼案件数:
0
法律状态/事件:
授权