首页
专利数据库
产业人才
行业动态
产业政策法规
维权援助
个人中心
登录/注册
详情
文本
图像
标题:
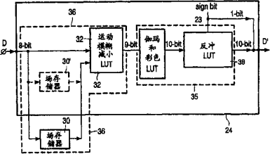
液晶矩阵显示装置的控制电路
授权日:
2004-12-22
公开(公告)号:
CN1181465C
申请日:
2001-03-13
公开(公告)日:
2004-12-22
当前申请(专利权)人:
三星显示有限公司
发明人:
J・R・胡赫斯 | D・W・帕克
简单同族:
CN1181465C | CN1381035A | EP1190411A1 | GB0006811D0 | JP2003528518A | JP4564222B2 | KR1020020059253A | US20010024199A1 | US6624800 | WO2001071703A1
简单同族成员数量:
10
简单同族被引用专利总数:
106
诉讼案件数:
0
法律状态/事件:
授权 | 权利转移