首页
专利数据库
产业人才
行业动态
产业政策法规
维权援助
个人中心
登录/注册
详情
文本
图像
标题:
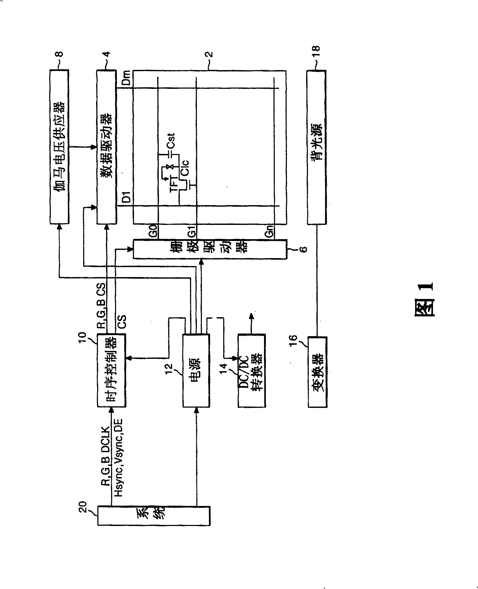
液晶显示器的驱动方法和装置
授权日:
2008-10-22
公开(公告)号:
CN100428321C
申请日:
2004-06-28
公开(公告)日:
2008-10-22
当前申请(专利权)人:
乐金显示有限公司
发明人:
白星豪
简单同族:
CN100428321C | CN1617213A | KR100680058B1 | KR1020050046162A | US20050104827A1 | US7522135
简单同族成员数量:
6
简单同族被引用专利总数:
64
诉讼案件数:
0
法律状态/事件:
授权