首页
专利数据库
产业人才
行业动态
产业政策法规
维权援助
个人中心
登录/注册
详情
文本
图像
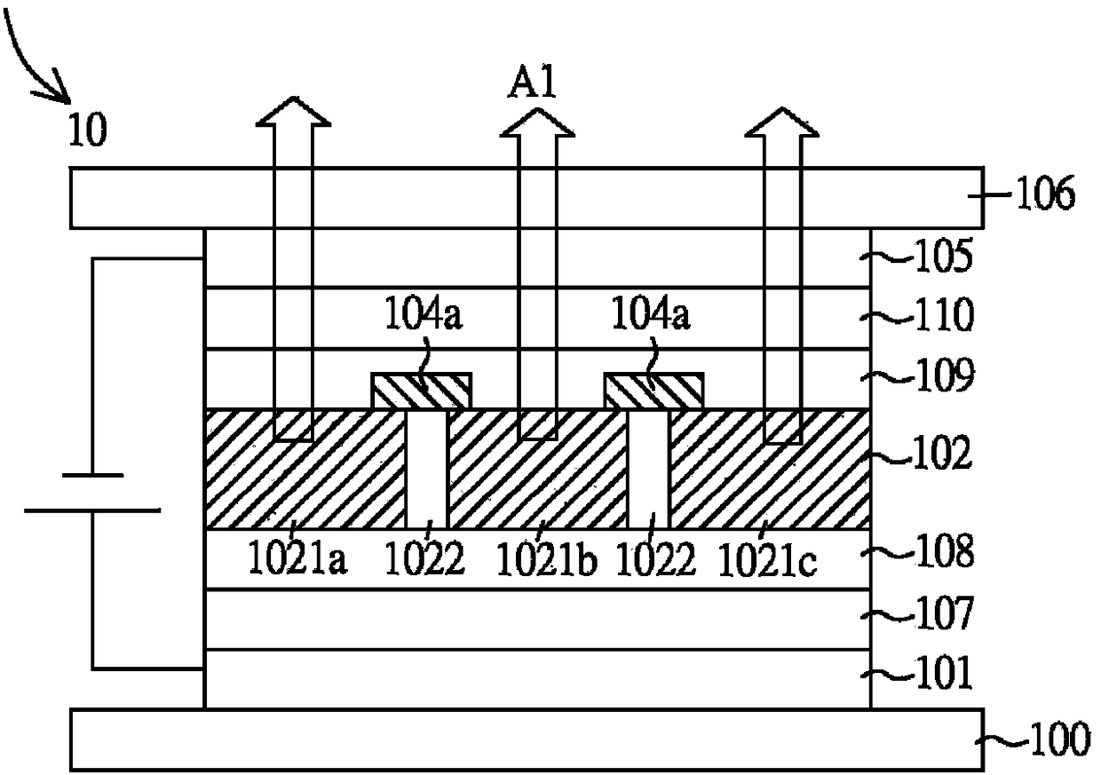
标题:
有机发光二极管显示器
授权日:
2014-04-02
公开(公告)号:
CN203521416U
申请日:
2013-09-09
公开(公告)日:
2014-04-02
当前申请(专利权)人:
宸鸿光电科技股份有限公司
发明人:
刘振宇 | 卢宏杰 | 林熙干
简单同族:
CN203521416U
简单同族成员数量:
1
简单同族被引用专利总数:
0
诉讼案件数:
0
法律状态/事件:
授权