首页
专利数据库
产业人才
行业动态
产业政策法规
维权援助
个人中心
登录/注册
详情
文本
图像
标题:
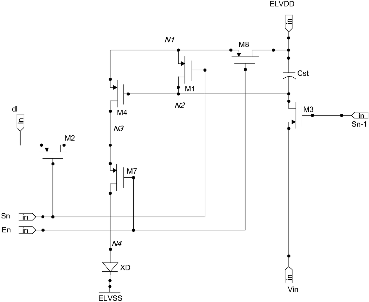
像素补偿电路及显示装置
授权日:
1900-01-01
公开(公告)号:
CN109036284A
申请日:
2017-06-12
公开(公告)日:
2018-12-18
当前申请(专利权)人:
上海和辉光电有限公司
发明人:
周兴雨
简单同族:
CN109036284A
简单同族成员数量:
1
简单同族被引用专利总数:
0
诉讼案件数:
0
法律状态/事件:
实质审查