首页
专利数据库
产业人才
行业动态
产业政策法规
维权援助
个人中心
登录/注册
详情
文本
图像
标题:
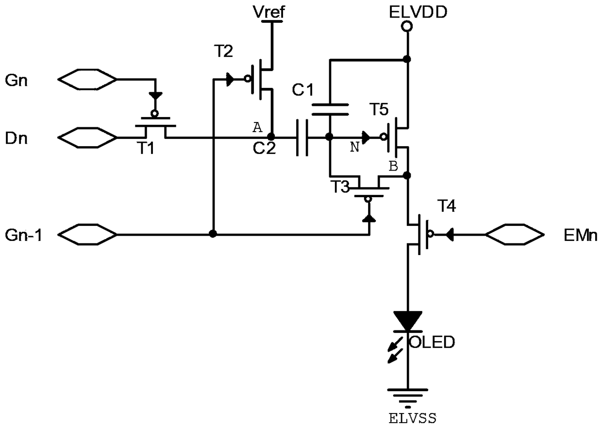
一种OLED像素驱动电路
授权日:
2016-04-20
公开(公告)号:
CN103077680B
申请日:
2013-01-10
公开(公告)日:
2016-04-20
当前申请(专利权)人:
上海和辉光电有限公司
发明人:
秦永亮 | 陈志宏 | 黄初旺
简单同族:
CN103077680A | CN103077680B | TW201331916A | US20140192038A1
简单同族成员数量:
4
简单同族被引用专利总数:
70
诉讼案件数:
0
法律状态/事件:
授权