首页
专利数据库
产业人才
行业动态
产业政策法规
维权援助
个人中心
登录/注册
详情
文本
图像
标题:
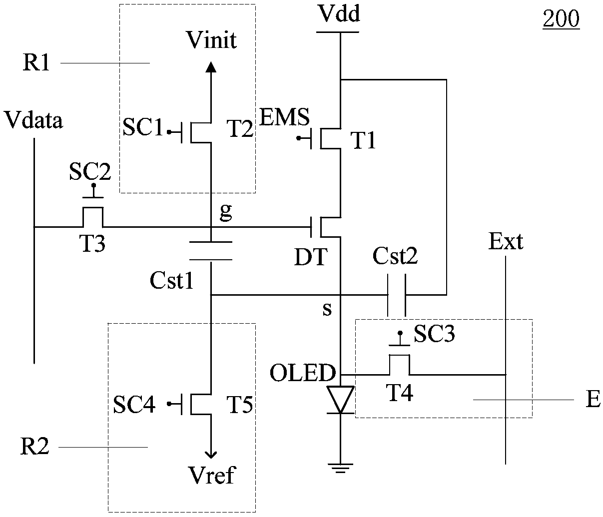
像素电路、显示面板、显示装置及驱动方法
授权日:
1900-01-01
公开(公告)号:
CN109584801A
申请日:
2018-12-14
公开(公告)日:
2019-04-05
当前申请(专利权)人:
云谷(固安)科技有限公司
发明人:
文国哲
简单同族:
CN109584801A
简单同族成员数量:
1
简单同族被引用专利总数:
0
诉讼案件数:
0
法律状态/事件:
实质审查