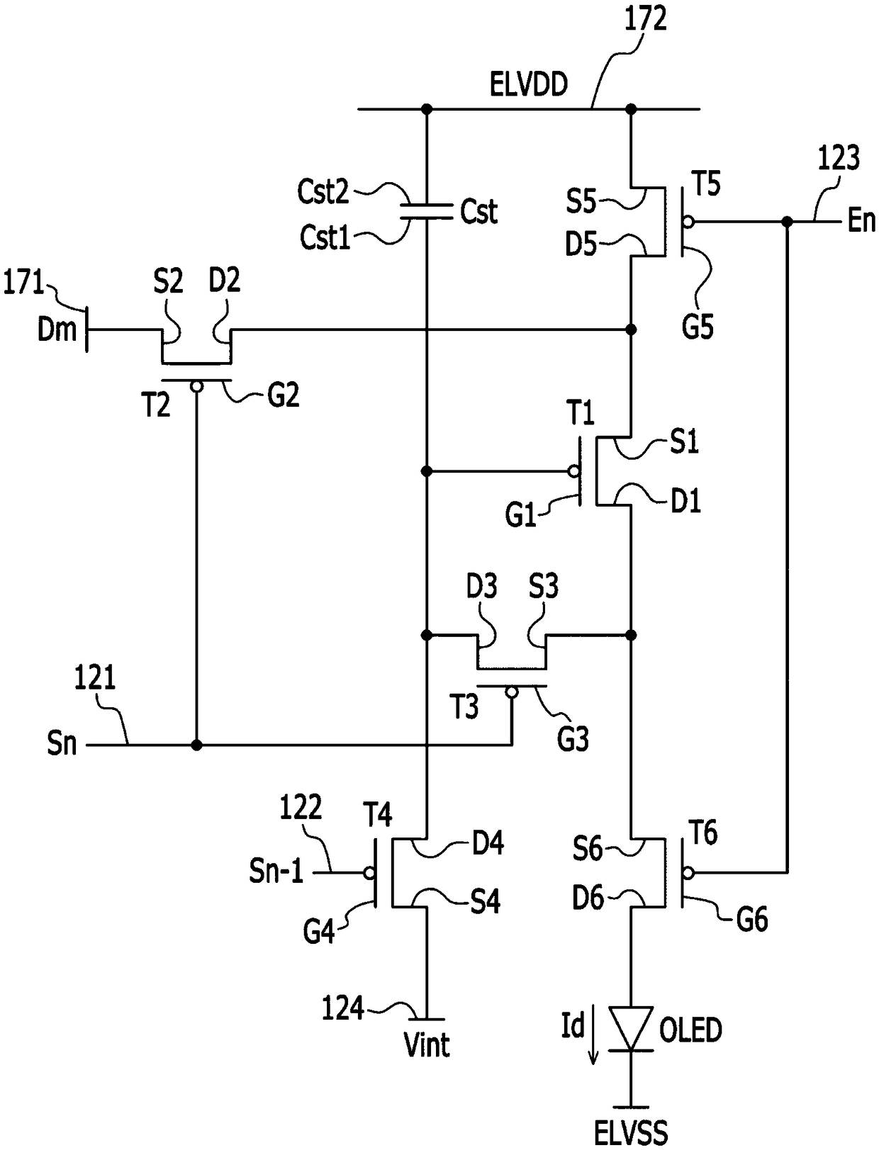
标题:
有机发光二极管显示器
授权日:
1900-01-01
公开(公告)号:
CN108735156A
申请日:
2013-08-01
公开(公告)日:
2018-11-02
当前申请(专利权)人:
三星显示有限公司
发明人:
金世镐 | 朴晋佑 | 李元世
简单同族:
CN103578426A | CN103578426B | CN106991974A | CN106991974B | CN108735156A | EP2693481A2 | EP2693481A3 | EP2693482A2 | EP2693482A3 | JP2014032379A | JP2018036667A | JP2020073953A | JP6300445B2 | JP6585686B2 | KR101486038B1 | KR1020140018623A | TW201411832A | TWI605582B | US10204976 | US10483342 | US20140034923A1 | US20160358995A1 | US20170256601A1 | US20180175134A1 | US20190157376A1 | US20200052061A1 | US9450040 | US9660012 | US9899464
简单同族成员数量:
29
简单同族被引用专利总数:
146
诉讼案件数:
0
法律状态/事件:
实质审查