首页
专利数据库
产业人才
行业动态
产业政策法规
维权援助
个人中心
登录/注册
详情
文本
图像
标题:
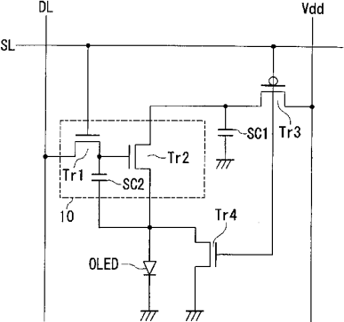
对光学元件的亮度数据具有初始化功能的显示器
授权日:
1900-01-01
公开(公告)号:
CN1417767A
申请日:
2002-11-08
公开(公告)日:
2003-05-14
当前申请(专利权)人:
三洋电机株式会社
发明人:
野口幸宏 | 松本昭一郎 | 土屋博 | 佐野景一
简单同族:
CN1278297C | CN1417767A | KR1020030038522A | US20030103022A1
简单同族成员数量:
4
简单同族被引用专利总数:
267
诉讼案件数:
0
法律状态/事件:
未缴年费