首页
专利数据库
产业人才
行业动态
产业政策法规
维权援助
个人中心
登录/注册
详情
文本
图像
标题:
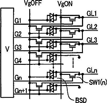
液晶显示装置
授权日:
1900-01-01
公开(公告)号:
CN101339755A
申请日:
2004-03-09
公开(公告)日:
2009-01-07
当前申请(专利权)人:
株式会社日立显示器 | 松下液晶显示器株式会社
发明人:
仲吉良彰 | 今城由博 | 柳川和彦
简单同族:
CN100451743C | CN101339755A | CN1530700A | JP2004271969A | JP4074207B2 | US20040178977A1 | US7365725
简单同族成员数量:
7
简单同族被引用专利总数:
67
诉讼案件数:
0
法律状态/事件:
撤回 | 权利转移