首页
专利数据库
产业人才
行业动态
产业政策法规
维权援助
个人中心
登录/注册
详情
文本
图像
标题:
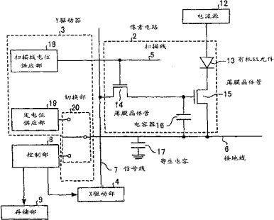
图像显示装置
授权日:
1900-01-01
公开(公告)号:
CN1527267A
申请日:
2004-02-16
公开(公告)日:
2004-09-08
当前申请(专利权)人:
奇美电子股份有限公司 | 京瓷株式会社
发明人:
小野也 | 小林芳直
简单同族:
CN100412929C | CN1527267A | JP2004252110A | JP4378087B2 | TW200416650A | TWI277040B | US20040239596A1 | US7358941
简单同族成员数量:
8
简单同族被引用专利总数:
273
诉讼案件数:
0
法律状态/事件:
未缴年费 | 权利转移