首页
专利数据库
产业人才
行业动态
产业政策法规
维权援助
个人中心
登录/注册
详情
文本
图像
标题:
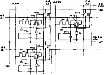
有机场致发光像素电路
授权日:
1900-01-01
公开(公告)号:
CN1375810A
申请日:
2002-02-10
公开(公告)日:
2002-10-23
当前申请(专利权)人:
三洋电机株式会社
发明人:
古宫直明
简单同族:
CN100423058C | CN1375810A | EP1233398A2 | EP1233398A3 | JP2002244617A | KR1020020067678A | TW552574B | US20020158587A1 | US6924602
简单同族成员数量:
9
简单同族被引用专利总数:
219
诉讼案件数:
0
法律状态/事件:
授权