首页
专利数据库
产业人才
行业动态
产业政策法规
维权援助
个人中心
登录/注册
详情
文本
图像
标题:
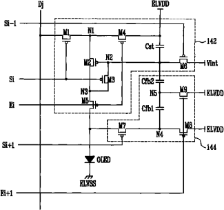
像素、利用该像素的有机发光显示装置及其驱动方法
授权日:
2010-12-15
公开(公告)号:
CN101286298B
申请日:
2008-04-09
公开(公告)日:
2010-12-15
当前申请(专利权)人:
三星显示有限公司
发明人:
金阳完
简单同族:
CN101286298A | CN101286298B | EP1981018A1 | EP1981018B1 | JP2008262144A | JP4994958B2 | KR100873078B1 | KR1020080091926A | US20090027310A1 | US8149186
简单同族成员数量:
10
简单同族被引用专利总数:
116
诉讼案件数:
0
法律状态/事件:
授权 | 权利转移