首页
专利数据库
产业人才
行业动态
产业政策法规
维权援助
个人中心
登录/注册
详情
文本
图像
标题:
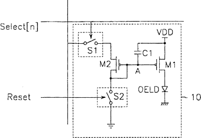
有机电发光显示器及其驱动方法和像素电路
授权日:
2005-10-19
公开(公告)号:
CN1223979C
申请日:
2001-11-02
公开(公告)日:
2005-10-19
当前申请(专利权)人:
三星显示有限公司
发明人:
权五敬
简单同族:
CN1223979C | CN1361510A | DE60125316D1 | DE60125316T2 | EP1220191A2 | EP1220191A3 | EP1220191B1 | JP2002215096A | JP4549594B2 | KR100370286B1 | KR1020020056353A | US20020118150A1 | US20060082524A1 | US7015884 | US7423638
简单同族成员数量:
15
简单同族被引用专利总数:
471
诉讼案件数:
0
法律状态/事件:
授权 | 权利转移