首页
专利数据库
产业人才
行业动态
产业政策法规
维权援助
个人中心
登录/注册
详情
文本
图像
标题:
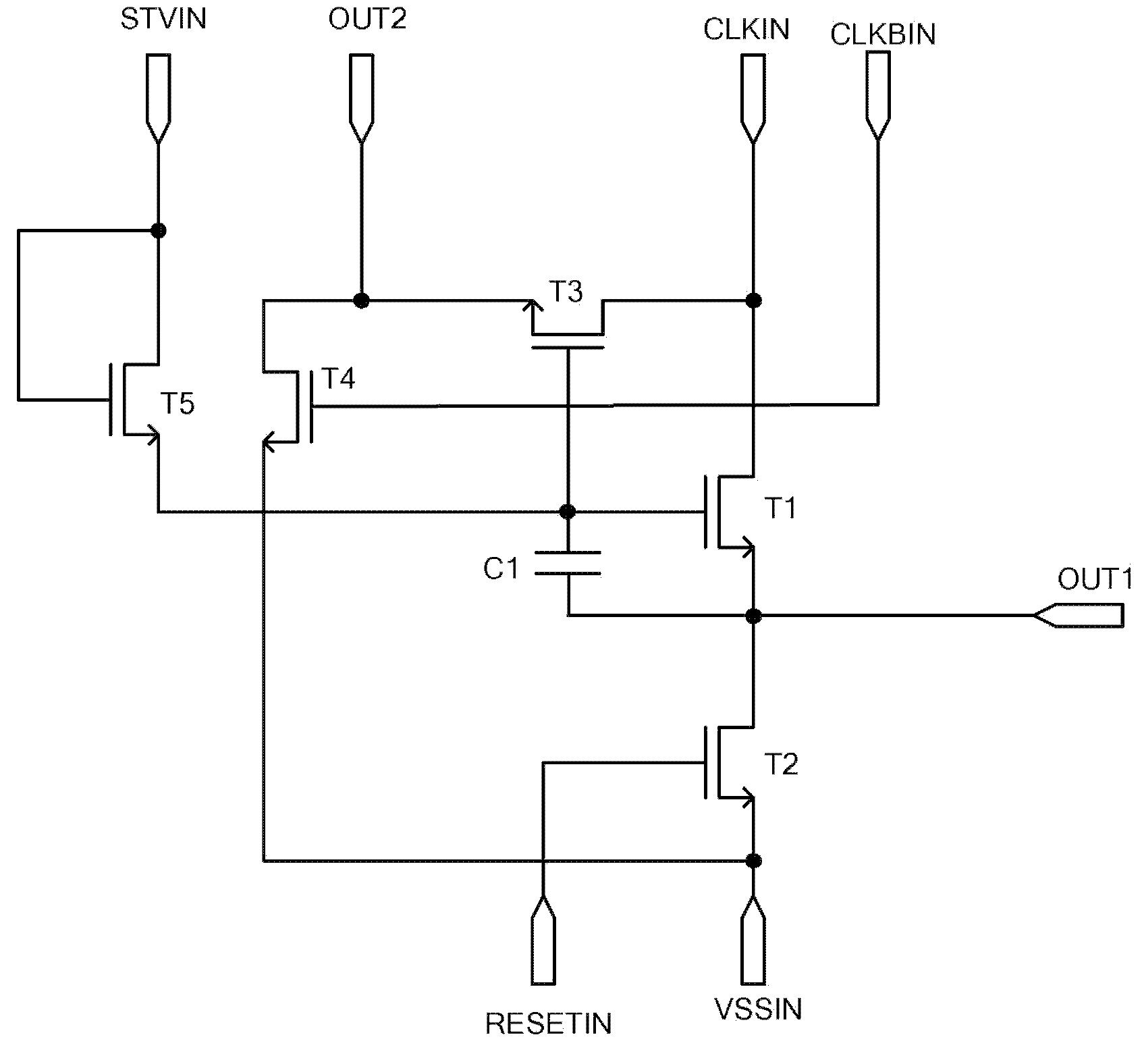
발명의 명칭 쉬프트 레지스터 유닛, 게이트 구동 장치 및 액정 디스플레이
授权日:
2013-08-23
公开(公告)号:
KR101301500B1
申请日:
2011-10-28
公开(公告)日:
2013-08-29
当前申请(专利权)人:
보에 테크놀로지 그룹 컴퍼니 리미티드 | 청두 비오이 옵토일렉트로닉스 테크놀로지 컴퍼니 리미티드
发明人:
탄원 | 치시아오징 | 후앙웨이윈
简单同族:
CN102467890A | CN102467890B | JP2012099212A | JP5859275B2 | KR101301500B1 | KR1020120046062A | US20120105397A1 | US8614661
简单同族成员数量:
8
简单同族被引用专利总数:
53
诉讼案件数:
0
法律状态/事件:
授权