首页
专利数据库
产业人才
行业动态
产业政策法规
维权援助
个人中心
登录/注册
详情
文本
图像
标题:
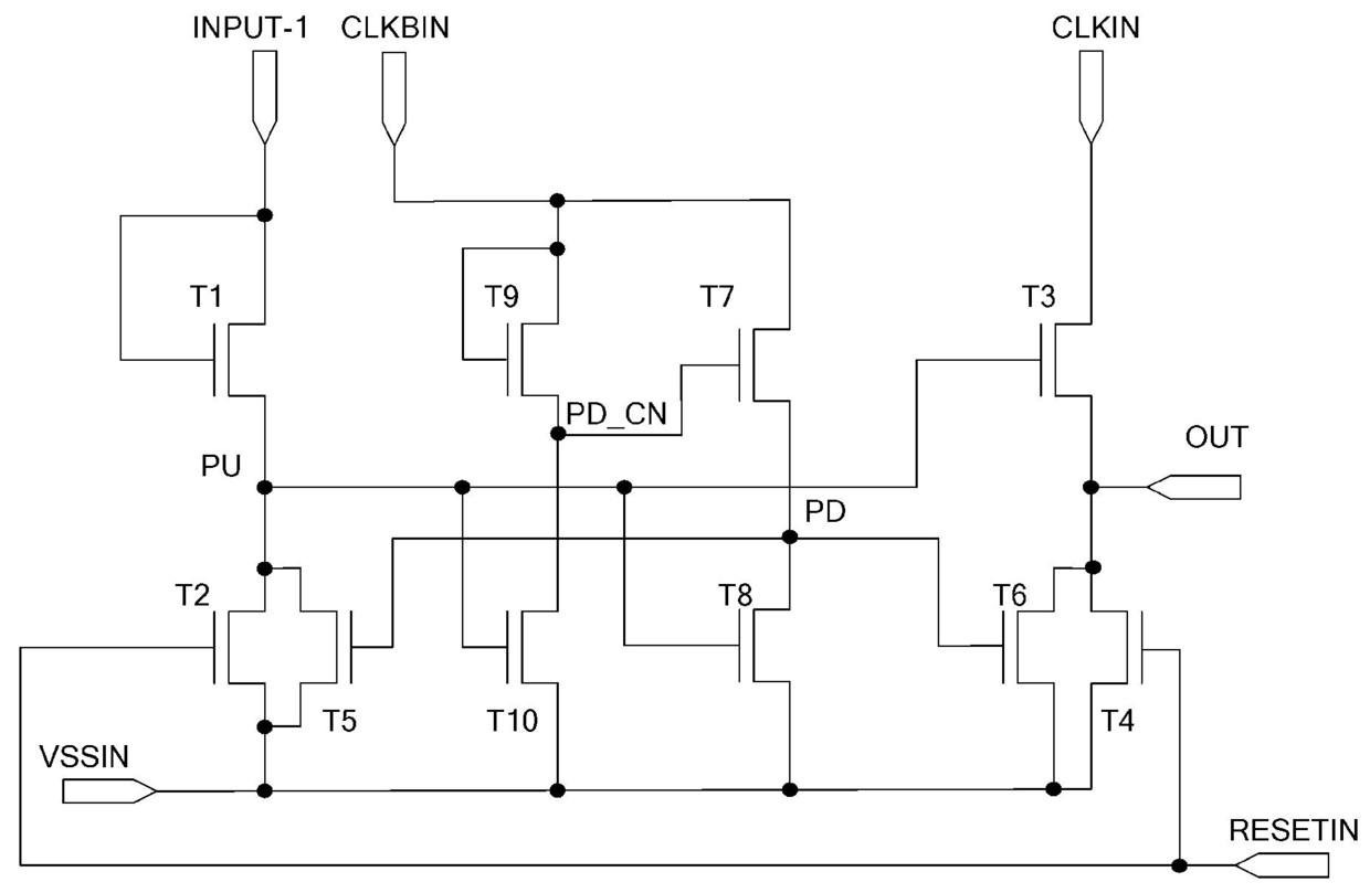
Shift register unit and gate drive device for liquid crystal display
授权日:
2012-10-23
公开(公告)号:
KR101195440B1
申请日:
2010-09-03
公开(公告)日:
2012-10-30
当前申请(专利权)人:
베이징 비오이 옵토일렉트로닉스 테크놀로지 컴퍼니 리미티드
发明人:
샹광리앙 | 한승우
简单同族:
CN102012591A | CN102012591B | JP2011060411A | JP5936812B2 | KR101195440B1 | KR1020110025630A | US20110058640A1 | US8199870
简单同族成员数量:
8
简单同族被引用专利总数:
197
诉讼案件数:
0
法律状态/事件:
授权 | 权利转移