首页
专利数据库
产业人才
行业动态
产业政策法规
维权援助
个人中心
登录/注册
详情
文本
图像
标题:
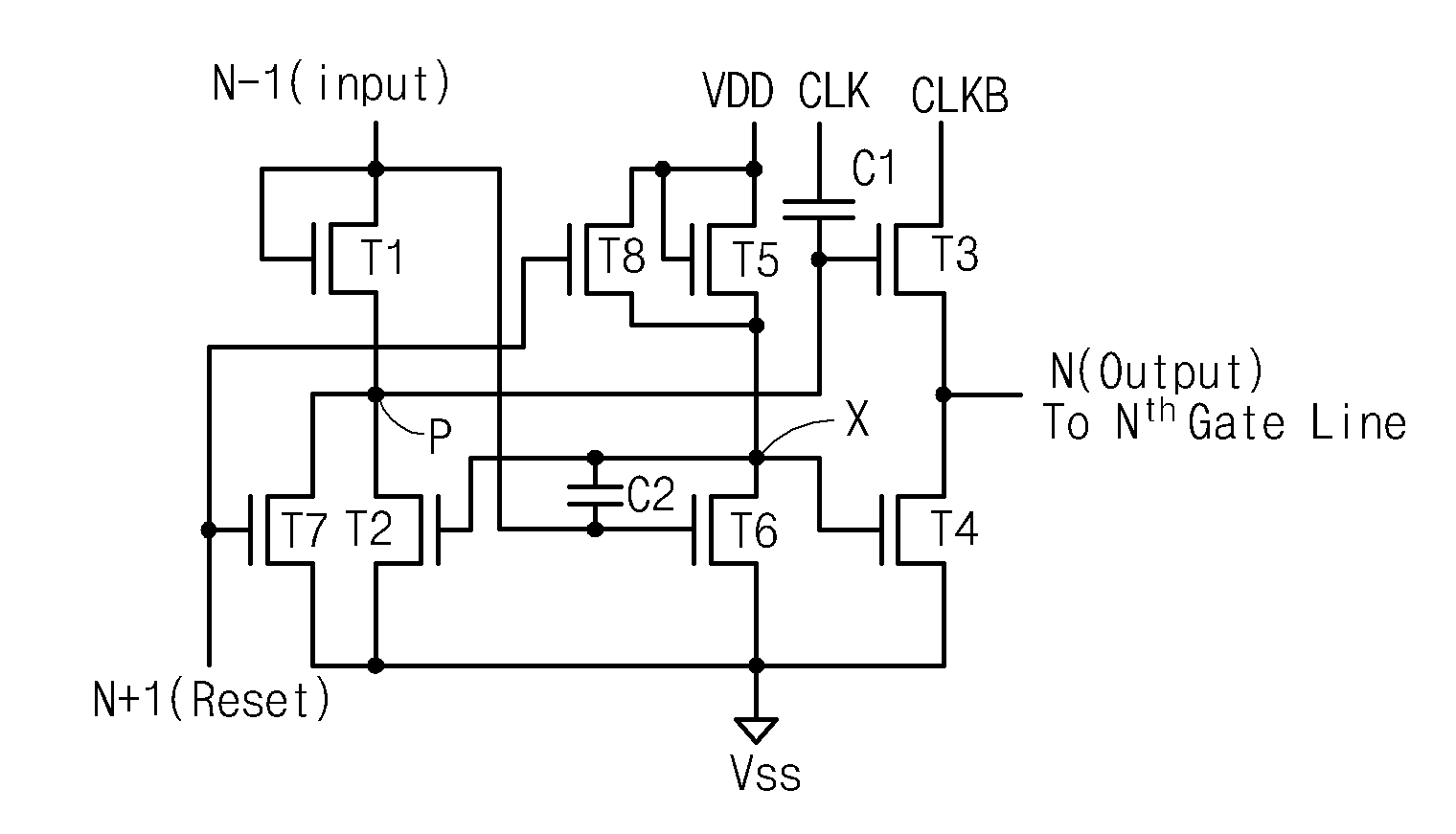
액정표시장치의 구동회로
授权日:
1900-01-01
公开(公告)号:
KR1020050070554A
申请日:
2003-12-30
公开(公告)日:
2005-07-07
当前申请(专利权)人:
하이디스 테크놀로지 주식회사
发明人:
안성준 | 김천홍 | 유세종
简单同族:
CN100428323C | CN1637836A | JP2005196158A | KR100705628B1 | KR1020050070554A | TW200521949A | TWI280553B | US20050156858A1
简单同族成员数量:
8
简单同族被引用专利总数:
61
诉讼案件数:
0
法律状态/事件:
授权