首页
专利数据库
产业人才
行业动态
产业政策法规
维权援助
个人中心
登录/注册
详情
文本
图像
标题:
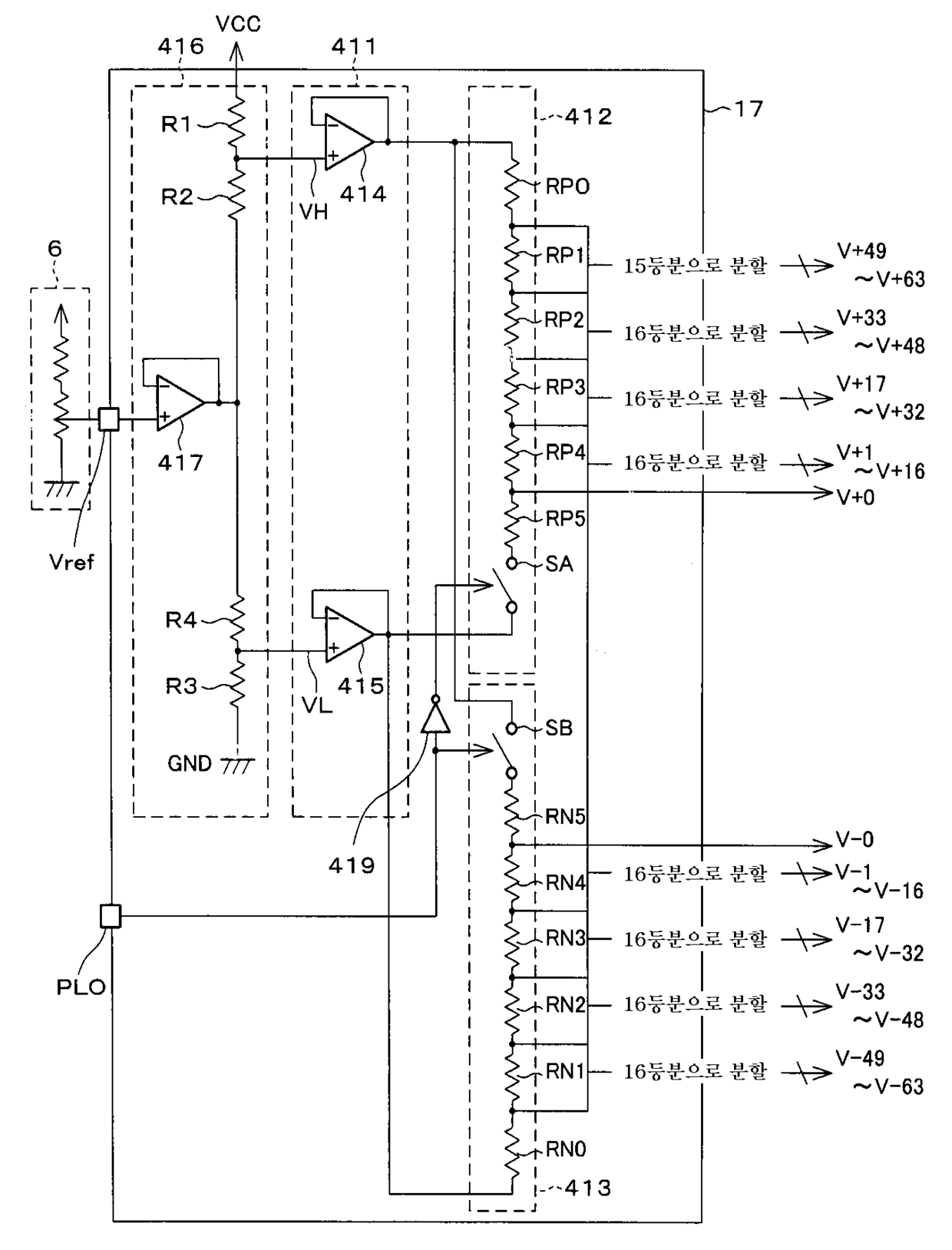
표시 구동 장치 및 그것을 이용한 표시 장치
授权日:
2005-12-08
公开(公告)号:
KR100536871B1
申请日:
2003-04-24
公开(公告)日:
2005-12-16
当前申请(专利权)人:
샤프 가부시키가이샤
发明人:
SAKAGUCHI,NOBUHISA
简单同族:
CN1265335C | CN1453758A | JP2003316333A | JP4108360B2 | KR100536871B1 | KR1020030084728A | TW200405241A | TWI223224B | US20030201959A1 | US7307610
简单同族成员数量:
10
简单同族被引用专利总数:
124
诉讼案件数:
0
法律状态/事件:
授权