首页
专利数据库
产业人才
行业动态
产业政策法规
维权援助
个人中心
登录/注册
详情
文本
图像
标题:
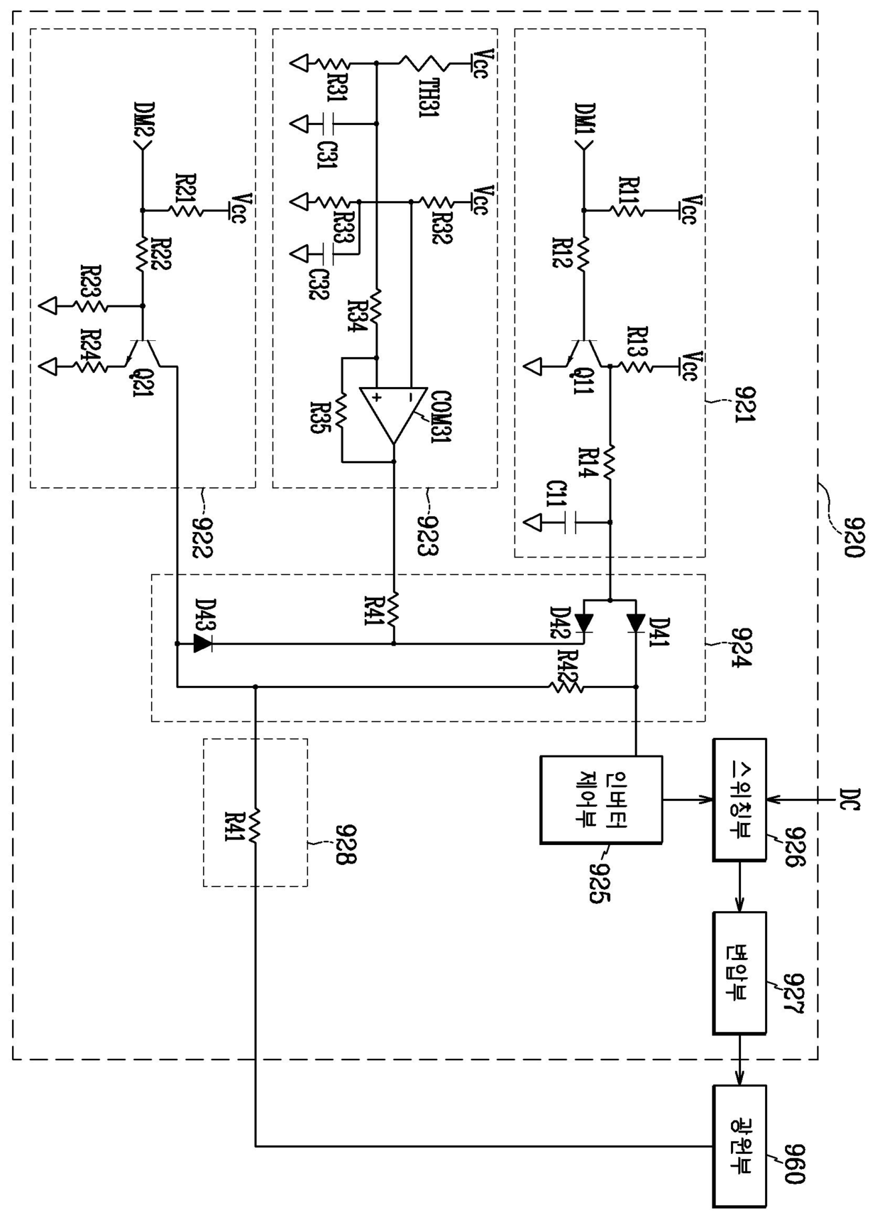
표시 장치 및 표시 장치용 광원의 구동 장치
授权日:
1900-01-01
公开(公告)号:
KR1020060008427A
申请日:
2004-07-22
公开(公告)日:
2006-01-26
当前申请(专利权)人:
삼성전자주식회사
发明人:
JANG,HYEONYONG
简单同族:
CN100578302C | CN1725072A | JP2006039558A | KR101133755B1 | KR1020060008427A | TW200604676A | US20060017404A1 | US7595785
简单同族成员数量:
8
简单同族被引用专利总数:
52
诉讼案件数:
0
法律状态/事件:
未缴年费 | 权利转移