标题:
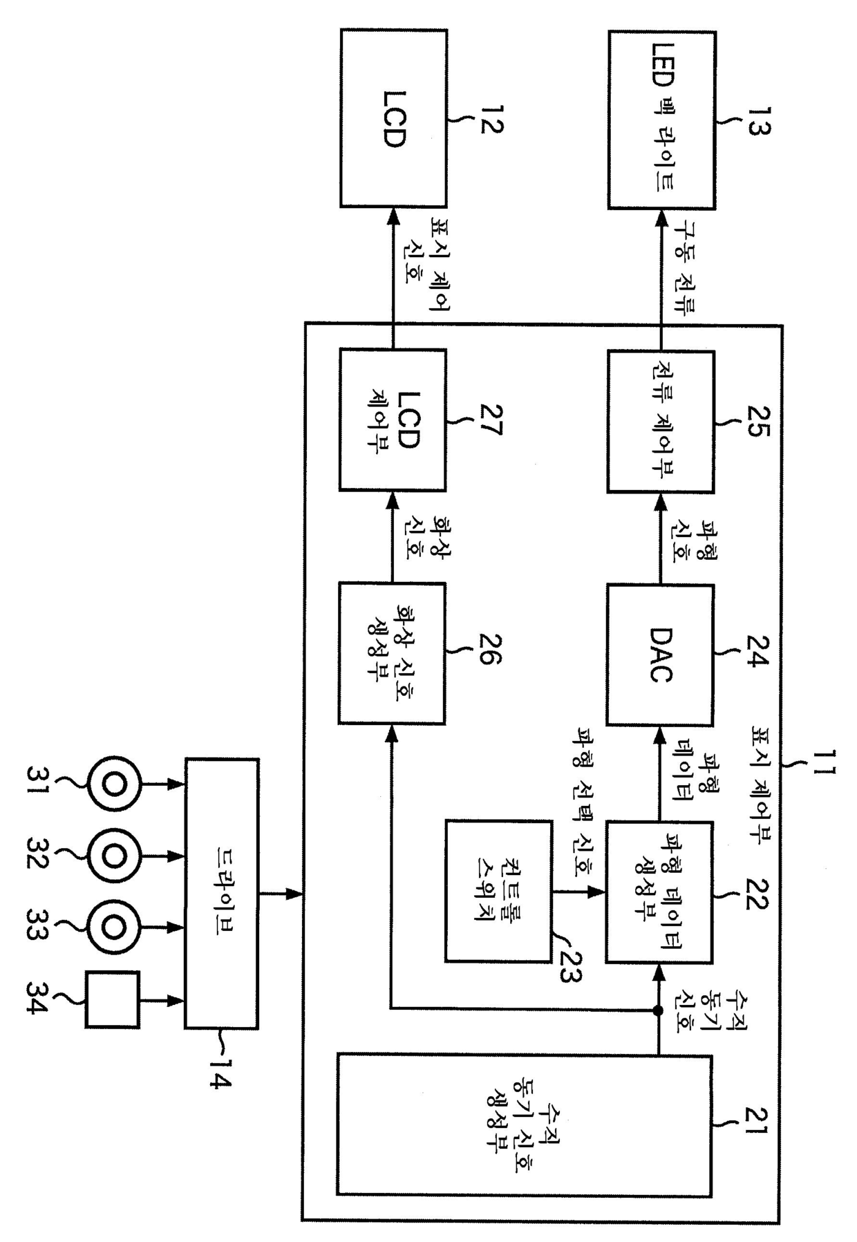
표시 장치 및 방법, 및 기록 매체
授权日:
2012-04-17
公开(公告)号:
KR101139573B1
申请日:
2005-06-21
公开(公告)日:
2012-04-27
当前申请(专利权)人:
소니 주식회사
发明人:
KUROKI, YOSHIHIKO
简单同族:
CN100463040C | CN101425263A | CN101425263B | CN101452672A | CN101452672B | CN1842840A | EP1770681A1 | EP1770681A4 | EP2500897A1 | JP2006030826A | JP4337673B2 | KR101139573B1 | KR1020070032617A | MXPA06002982A | TW200614123A | TW200926104A | TW200926105A | TWI324330B | TWI324331B | TWI338271B | US20070063961A1 | US20120256818A1 | WO2006008903A1
简单同族成员数量:
23
简单同族被引用专利总数:
66
诉讼案件数:
0
法律状态/事件:
未缴年费