专利数据库
统计分析
产业报告
专利数据监控
产业人才
行业动态
产业政策法规
维权援助
个人中心
详情
文本
图像
标题
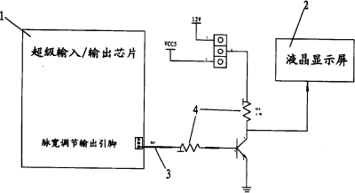
电脑液晶显示屏的背光控制装置
授权日
2009-02-25
公开(公告)号
CN201199428Y
申请日
2008-01-28
公开(公告)日
2009-02-25
当前申请(专利权)人
深圳华北工控股份有限公司
发明人
吴荣华
简单同族
CN201199428Y
简单同族成员数量
1
简单同族被引用专利总数
0
诉讼案件数
0
法律状态/事件
未缴年费
抱歉,您的浏览器不支持PDF预览,请点击链接下载PDF文件