专利数据库
统计分析
产业报告
专利数据监控
产业人才
行业动态
产业政策法规
维权援助
个人中心
详情
文本
图像
标题
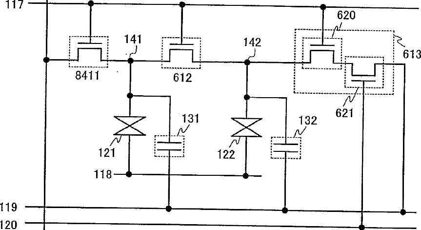
Liquid crystal display device
授权日
1900-01-01
公开(公告)号
US20110261293A1
申请日
2011-07-01
公开(公告)日
2011-10-27
当前申请(专利权)人
SEMICONDUCTOR ENERGY LABORATORY CO., LTD.
发明人
KIMURA, HAJIME
简单同族
JP2008287032A | JP2008287032A5 | JP5542297B2 | US10281788 | US20080297676A1 | US20110261293A1 | US20120212686A1 | US20130256672A1 | US20140231807A1 | US20160357045A1 | US20180210251A1 | US20190324307A1 | US7978277 | US8120721 | US8395718 | US8711314 | US9341908
简单同族成员数量
17
简单同族被引用专利总数
195
诉讼案件数
0
法律状态/事件
授权
抱歉,您的浏览器不支持PDF预览,请点击链接下载PDF文件