专利数据库
统计分析
产业报告
专利数据监控
产业人才
行业动态
产业政策法规
维权援助
个人中心
详情
文本
图像
标题
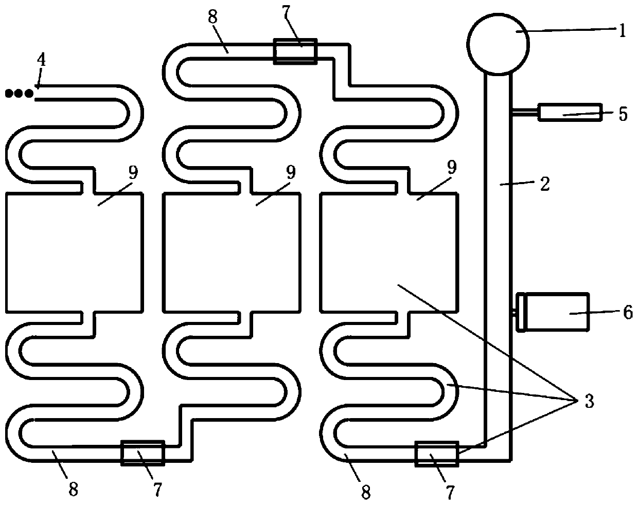
一种多靶标磁免疫化学发光微流控芯片检测平台及方法
授权日
1900-01-01
公开(公告)号
CN109870582A
申请日
2019-02-27
公开(公告)日
2019-06-11
当前申请(专利权)人
华中科技大学
发明人
刘笔锋 | 陈鹏
简单同族
CN109870582A | CN109870582B
简单同族成员数量
2
简单同族被引用专利总数
0
诉讼案件数
0
法律状态/事件
授权
抱歉,您的浏览器不支持PDF预览,请点击链接下载PDF文件