专利数据库
统计分析
产业报告
专利数据监控
产业人才
行业动态
产业政策法规
维权援助
个人中心
详情
文本
图像
标题
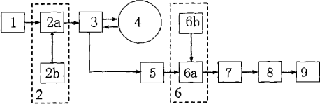
基于单一功率信号源及其开关网络的高帧率超声成像方法
授权日
2011-04-06
公开(公告)号
CN101273901B
申请日
2007-03-30
公开(公告)日
2011-04-06
当前申请(专利权)人
中国科学技术大学
发明人
彭虎 | 李洪旺
简单同族
CN101273901A | CN101273901B
简单同族成员数量
2
简单同族被引用专利总数
5
诉讼案件数
0
法律状态/事件
未缴年费
抱歉,您的浏览器不支持PDF预览,请点击链接下载PDF文件