专利数据库
统计分析
产业报告
专利数据监控
产业人才
行业动态
产业政策法规
维权援助
个人中心
详情
文本
图像
标题
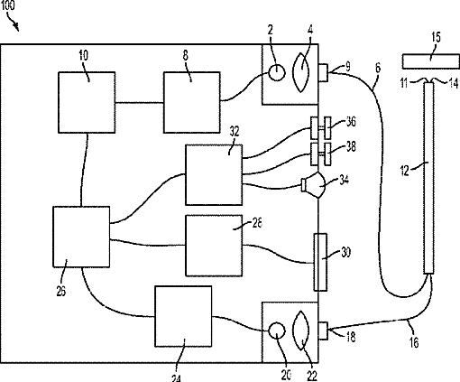
Devices and methods for fluorescent inspection and/or removal of material in a sample
授权日
2012-03-20
公开(公告)号
US8140141
申请日
2006-05-17
公开(公告)日
2012-03-20
当前申请(专利权)人
UTAH, UNIVERSITY OF
发明人
MCGREEVY, JAMES | GRISSOM, CHARLES B. | JONES, RONALD M.
简单同族
AU2007253771A1 | AU2007253771B2 | CA2652382A1 | EP2021802A2 | EP2021802A4 | JP2009537827A | US20070269837A1 | US20120179030A1 | US8140141 | WO2007137124A2 | WO2007137124A3
简单同族成员数量
11
简单同族被引用专利总数
54
诉讼案件数
0
法律状态/事件
未缴年费 | 权利转移
抱歉,您的浏览器不支持PDF预览,请点击链接下载PDF文件