专利数据库
统计分析
产业报告
专利数据监控
产业人才
行业动态
产业政策法规
维权援助
个人中心
详情
文本
图像
标题
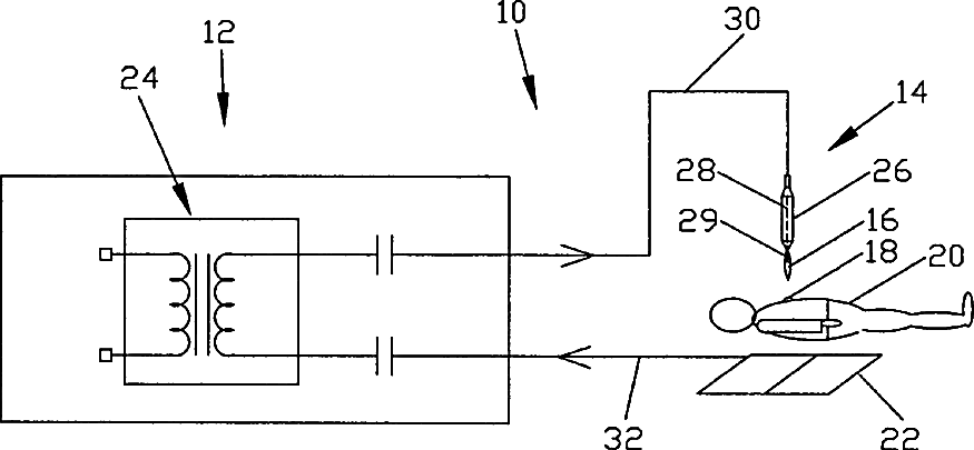
Electrosurgical device to generate a plasma stream
授权日
1900-01-01
公开(公告)号
US20080108985A1
申请日
2008-01-04
公开(公告)日
2008-05-08
当前申请(专利权)人
APYX MEDICAL CORPORATION
发明人
KONESKY, GREGORY A.
简单同族
US20080108985A1 | US20120065635A1 | US8057468 | US8409190
简单同族成员数量
4
简单同族被引用专利总数
101
诉讼案件数
0
法律状态/事件
授权 | 权利转移
抱歉,您的浏览器不支持PDF预览,请点击链接下载PDF文件