专利数据库
统计分析
产业报告
专利数据监控
产业人才
行业动态
产业政策法规
维权援助
个人中心
详情
文本
图像
标题
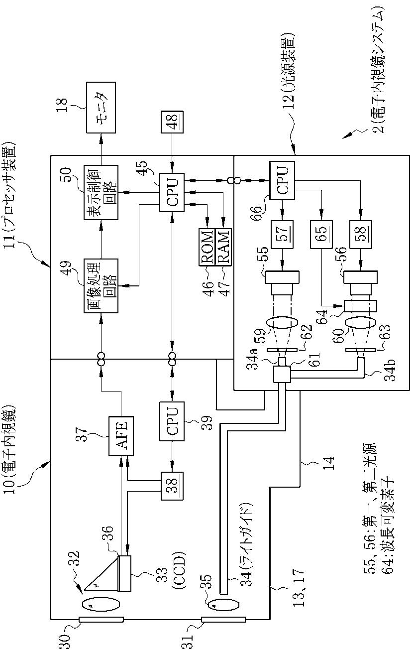
生体情報取得システムおよび生体情報取得システムの作動方法
授权日
2014-03-20
公开(公告)号
JP5502812B2
申请日
2011-07-14
公开(公告)日
2014-05-28
当前申请(专利权)人
富士フイルム株式会社
发明人
山口 博司 | 齋藤 孝明
简单同族
CN102871669A | CN102871669B | EP2545852A1 | EP2545852B1 | JP2013017769A | JP5502812B2 | US10265004 | US20130018242A1
简单同族成员数量
8
简单同族被引用专利总数
32
诉讼案件数
0
法律状态/事件
授权
抱歉,您的浏览器不支持PDF预览,请点击链接下载PDF文件