专利数据库
统计分析
产业报告
专利数据监控
产业人才
行业动态
产业政策法规
维权援助
个人中心
详情
文本
图像
标题
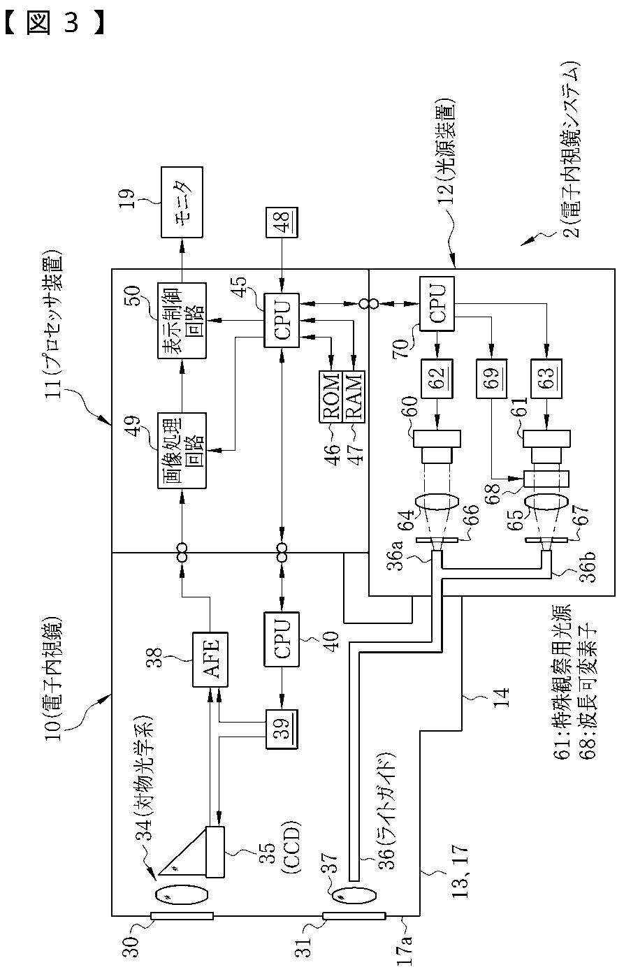
内視鏡システムおよび内視鏡システムの作動方法
授权日
2014-01-31
公开(公告)号
JP5466182B2
申请日
2011-01-11
公开(公告)日
2014-04-09
当前申请(专利权)人
富士フイルム株式会社
发明人
前田 青広 | 飯田 孝之
简单同族
EP2474853A2 | EP2474853A3 | EP2474853B1 | JP2012143349A | JP5466182B2 | US20120176486A1 | US9113787
简单同族成员数量
7
简单同族被引用专利总数
33
诉讼案件数
0
法律状态/事件
授权
抱歉,您的浏览器不支持PDF预览,请点击链接下载PDF文件