专利数据库
统计分析
产业报告
专利数据监控
产业人才
行业动态
产业政策法规
维权援助
个人中心
详情
文本
图像
标题
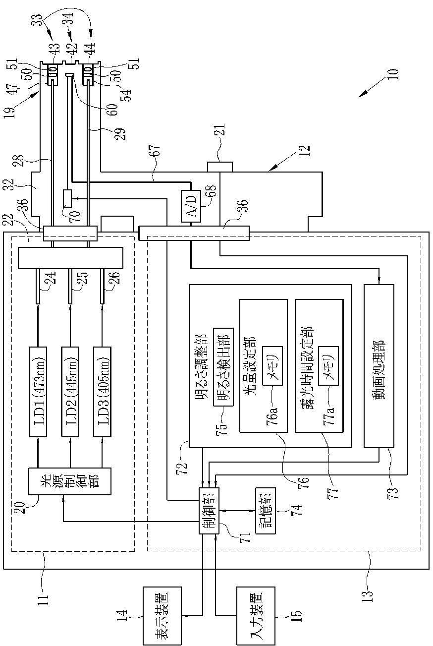
内視鏡システム、内視鏡システムのプロセッサ装置、及び内視鏡システムの作動方法
授权日
2014-11-28
公开(公告)号
JP5654511B2
申请日
2012-03-14
公开(公告)日
2015-01-14
当前申请(专利权)人
富士フイルム株式会社
发明人
齋藤 孝明
简单同族
EP2638844A1 | EP2638844B1 | JP2013188365A | JP5654511B2 | US20130245410A1 | US9345392
简单同族成员数量
6
简单同族被引用专利总数
27
诉讼案件数
0
法律状态/事件
授权
抱歉,您的浏览器不支持PDF预览,请点击链接下载PDF文件