专利数据库
统计分析
产业报告
专利数据监控
产业人才
行业动态
产业政策法规
维权援助
个人中心
详情
文本
图像
标题
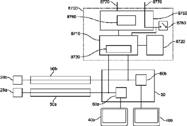
複数ビュー素子内視鏡システムのインタフェースユニット
授权日
1900-01-01
公开(公告)号
JP2016525905A
申请日
2014-05-15
公开(公告)日
2016-09-01
当前申请(专利权)人
エンドチョイス インコーポレイテッド
发明人
アレックス ヴィダス | マーク ギルレス | ヤニヴ キルマ | タル デビッドソン | アナット シモニー | ウィル パークス | ヨーラム アシェリー | チャーリー ジェイコブズ | ステファン ウィート | ダグ ラッド | ユーリ ゲルショフ | レオニド クリフォピスク
简单同族
CN105407788A | CN105407788B | EP2996541A1 | EP2996541A4 | EP2996541B1 | JP2016525905A | JP2016525905A5 | WO2014186525A1
简单同族成员数量
8
简单同族被引用专利总数
31
诉讼案件数
0
法律状态/事件
驳回
抱歉,您的浏览器不支持PDF预览,请点击链接下载PDF文件