专利数据库
统计分析
产业报告
专利数据监控
产业人才
行业动态
产业政策法规
维权援助
个人中心
详情
文本
图像
标题
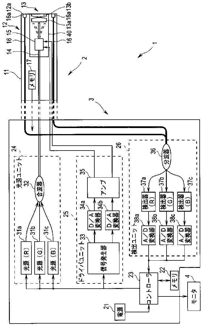
走査型内視鏡装置
授权日
1900-01-01
公开(公告)号
JP2013244045A
申请日
2012-05-23
公开(公告)日
2013-12-09
当前申请(专利权)人
オリンパス株式会社
发明人
吉野 真広
简单同族
JP2013244045A
简单同族成员数量
1
简单同族被引用专利总数
50
诉讼案件数
0
法律状态/事件
驳回 | 权利转移
抱歉,您的浏览器不支持PDF预览,请点击链接下载PDF文件